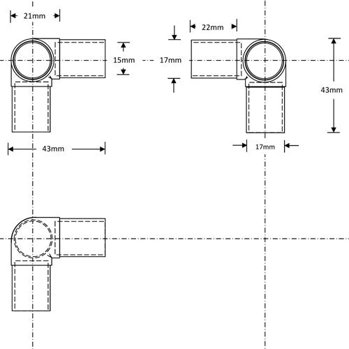
Use this joint to create ‘corners’ in a framework by fitting three lengths of aluminium tube into the joint, one to be an upright and the remaining two forming horizontals at the top of the frame.
Manufactured from strong, black UV stabilised nylon.
Designed to fit tightly within a 17mm inside diameter tube, knock into place using a rubber or wooden mallet.Â
Learn more
Â
















Reviews
There are no reviews yet.